PROJET N°1
Á côté de l'église
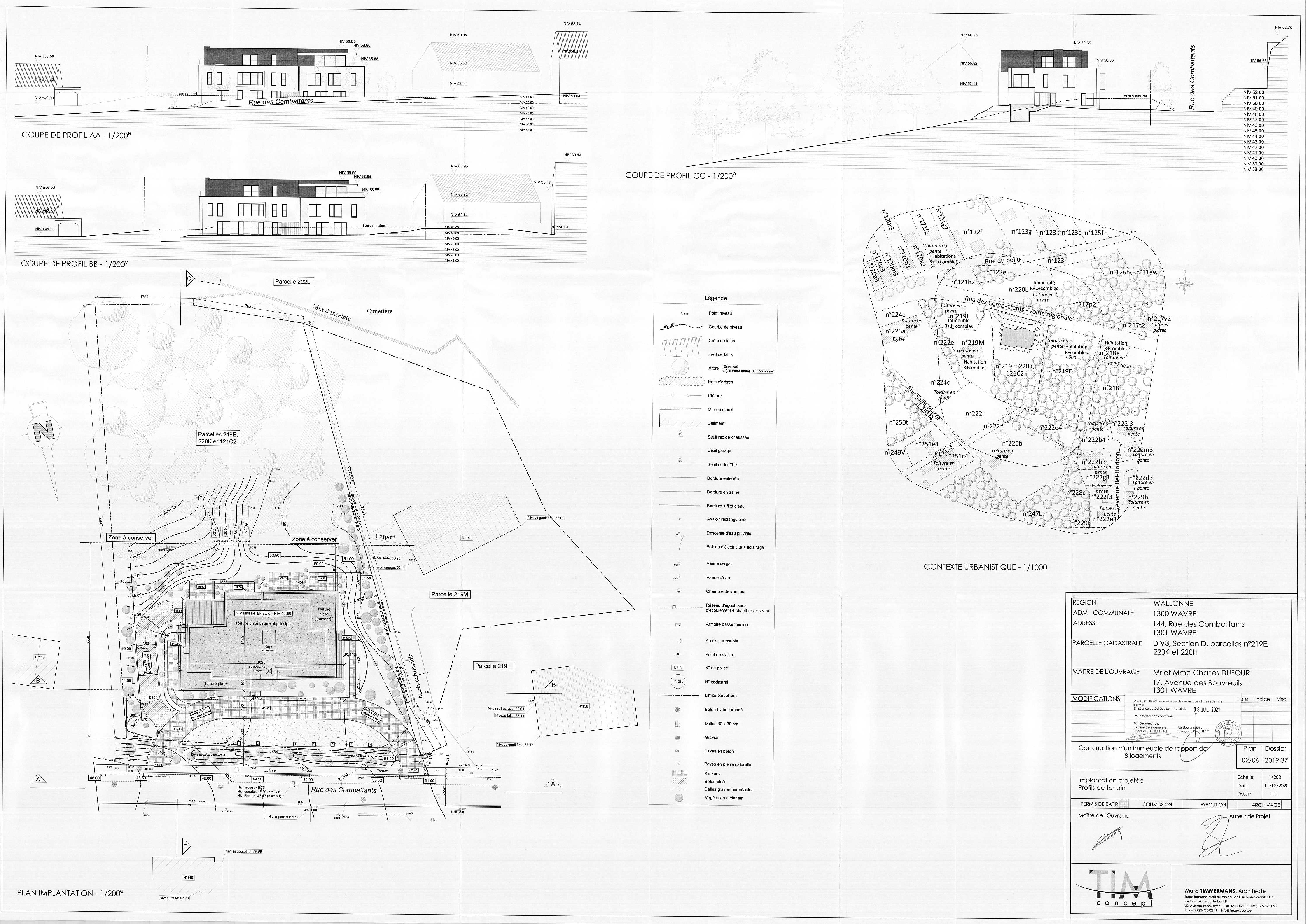
Actuellement, début de construction. Sans respect du permis d'urbanisme, la majorité des grands arbres ont déjà été abattus pour faire place à 965 M2 de logement et 10 parkings. Ce seront 8 appartements de béton et de fer. Du pur rendement de promoteurs.
Le promoteur a acheté (144 rue des Combattants) une ancienne maison à rénover et le terrain (bien en pente vers Wavre...) pour moins de 500.000 €, avec la quasi-assurance de pouvoir construire un immeuble au bout de quelques années... Et en effet, quelques années plus tard, les 8 appartements sont actuellement en vente, sur plan (www.trust-realestate.be) pour un total de 4,5 millions € !
Après cela, comment voulez-vous que ces promoteurs ne fassent pas n'importe quoi n'importe où, et avec la bénédiction des élus Wavriens !
Dans la demande de permis de bâtir du promoteur, on peut lire que l'immeuble est « desservi par les transports en commun ». Ah bon ? Voici la réalité :
Le TEC 38 passe 1 fois/jour à 8h10 et le bus De Lijn 345, 2 fois/heure. C'est tout ! Pourtant le promoteur a mis en avant les transports en commun, et le pouvoir politique a validé cela !
C'est à désespérer du pouvoir politique.
Des appartements de 155 M2 à 680.000 € n'ont qu'un seul garage !
Et pensez-vous réellement qu'un acheteur pour un penthouse à 1,3 million € ira travailler en TEC ?
Depuis l'église il faut compter plus de 20 minutes à pied pour rejoindre la gare de Wavre, qui n'est pas bien desservie (Ligne Leuven-Ottignies).
La construction de 10 places de parking pour cet immeuble, dont 3 rien que pour le penthouse est totalement insuffisant. Cela mènera pas mal de voitures... à la rue !
C'est à désespérer du pouvoir politique.
Finalement, on est quand même en droit de se demander qui a signé le permis pour la construction de cet immeuble à côté de l'église (projet 1).
Les responsables, des élus !, ont des noms qui méritent d'être connus:
Voici donc les responsables politiques locaux qui bétonnent notre environnement !
Et que trouve-t-on aussi dans ce permis ? Un avis édifiant: « le solde du terrain boisé sera préservé ! »
Mais en réalité, 90% de la parcelle boisée a déjà été rasée ! C'est un véritable ARBORICIDE !
Les dégâts des mandatures Pigeolet/Masson etc. sont malheureusement définitifs !
Françoise Pigeolet a été bourgmestre de Wavre-Limal-Bierges pendant 11 années. Ce 22 novembre 2022, Anne Masson, première échevine, l'a remplacée.
Combien de centaines de permis de bâtir ont été signés par Mesdames Pigeolet et Masson et consorts pour en arriver à la situation actuelle ?
Le comble, c'est que madame Pigeolet se prévalait des titres et « Bourgmestre en charge de l'aménagement du territoire » ET « Echevin de l'Urbanisme » ! Que ne lui a-t-on pas expliqué la signification du mot a-m-é-n-a-g-e-m-e-n-t !
Dernières nouvelles^
Comment les promoteurs contournent les permis de bâtir, et la ville de Wavre... laisse faire !
le tout dans le secret absolu. Secret interpellant qui appelle bien sûr à un approfondissement et une vigilance renforcée. DES DIZAINES DE GRANDS ARBRES RASÉS SANS PERMIS !
Le ballet des camions et bétonneuses pour les années à venir. Ici poussaient de magnifiques arbres...
Après 6 mois d'interruption, les travaux avaient repris à côté de l'église de Bierges.
Le promoteur, ne respectant pas le permis de bétonner délivré par Mmes Pigeolet, Masson et M. Brasseur, avait rasé tous les grands arbres alors qu'il pouvait seulement détruire une partie !
On peut apprécier le résultat maintenant, pendant cette nouvelle sécheresse du printemps 2023 : la faune et la flore qui s'y réfugiaient sont grillés.
Les précités s'en fichent éperdument car ils vont signer d'autres projets à venir tout prochainement.
Des membres du Conseil communal ont interpellé la bourgmestre, et ILS N'ONT MÊME PAS OBTENU UNE RÉPONSE de Mme Masson !!
La belle démocratie locale devant vos yeux.
Voilà donc le résultat d'un permis de bâtir signé par Mme Pigeolet (qui a vite disparu ensuite...), Mme Masson, M. Brasseur, M Gillard, Nassiri et consorts.
ET NE PENSEZ PAS QU’ILS CONNAISSENT LA SITUATION OU LA LOCALISATION DU TERRAIN.
PAS DU TOUT. ILS S’EN RÉFÈRENT UNIQUEMENT AUX « RECOMMANDATIONS », TELLES QUE (on lit dans le permis accordé) :
- Vu l’article L11233-23 du « Code de la Démocratie locale » !!
- La « complétude du dossier » a été appréciée !!
- Le Collège note que « les appartements sont confortables et bien éclairés » !!
- le Collège note que l’étude d’incidence sur l’environnement = NIHIL !!
- le Collège des Bourgmestre et Échevins note l’avis favorable de : Zone de secours du BW
Et voici donc le résultat ÉDIFIANT de leur décision collégiale : AHURISSANT !
Une zone protégée, clairement délimitée dans permis (= ZONE Á PRÉSERVER) a été rasée !
Et tout ça, pourquoi ?
Pour que le promoteur puisse vendre le penthouse – enfin bien exposé au soleil, sans l’ombre d’un arbre, au sommet du building – POUR 1,3 MILLION € !
(agence Trust sur Immoweb : « La résidence des Combattants ». Attention : bien lire tous les suppléments obligatoires)

